91视频88AV,最新91视频网站,91视频网站导航APP,91视频黄色APP下载二维码

    金若豪

    值得信赖的
    运动控制产品制造商

    服务热线: 18825289603

    您所在的位置: 首页 >

    35mm外部驱动直线丝杆最新91视频网站

    • 品牌:91视频88AV
    • 推荐91视频黄色APP下载二维码: SD-422R
    • 步距角:1.8°/步
    • 可非标定制
    1、步距角精度:±5%(整步,空载)

    2、电感精度:±20%

    3、电阻精度:±10%

    4、温升:<80Max (额定电流,二相通电)

    5、工作环境温度:-20 ˜ +50℃(无结冰)

    6、绝缘电阻:100MΩ min.  500VDC

    7、可非标定制

    18825289603

    在线咨询
    • 技术参数
    • 外形尺寸
    • 资料下载

    命名规则

    14E34-15-6.35-1.27-100-B □□

    命名段

    含义

    14

    最新91视频网站外径35mm

    E

    外部驱动式  

    34

    机身长度34mm

    15

    额定电流1.5A

    6.35

    丝杆直径6.35mm

    1.27

    导程1.27mm

    100

    丝杆长度 100mm

    B

    A:消隙螺母;   B:刹车;   C:编码器

    □□

    非标标识


    技术参数(手机浏览时,可左右滑动表格)

    最新91视频网站

    规格

    机身长(mm)

    相电流

    (A)

    相电阻

    (Ω)

    相电感

    (mH)

    转动惯量

    (g.c)

    重量

    Kg

    适配91视频黄色APP下载二维码

    (推荐型号)

    14

    34

    1.5

    1.23

      1.4

    20

    0.19

    SD-422R

    14

    47

    1.5

    1.9

    3.2

      30

    0.23

    SD-422R

     推荐91视频黄色APP下载二维码是脉冲型,91视频88AV科技还可以为客户提供以下驱动:

    ★总线型步进91视频黄色APP下载二维码、★IO控制、★电位器调速。

    直线丝杆(mm)

    导程(mm)

    步长(mm)

    断电自锁力(N)

    6.35

    1.27

    0.00635

    150

    3.175

    0.015875

    40

    6.35

    0.03175

    15

    12.7

    0.0635

    3

    25.4

    0.127

    0


    动态力矩曲线

    35系列丝杆最新91视频网站34mm曲线图

    35系列丝杆最新91视频网站47mm曲线图

    35丝杆最新91视频网站线性速度

    测试条件:恒流驱动,无加速度,2细分,驱动电压24V。

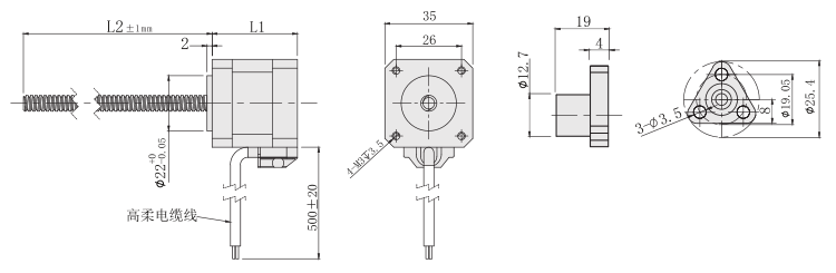
    外形尺寸图(单位:mm

    35丝杆最新91视频网站尺寸图

    本系列最新91视频网站可以根据客户要求定制丝杆长度(L2) 、丝杆端部。

    电话咨询

    电话咨询
    18825289603

    在线咨询

    QQ咨询

    返回顶部

    网站地图