91视频88AV,最新91视频网站,91视频网站导航APP,91视频黄色APP下载二维码

    PF42行星减速箱

    产品特点

    • 品牌:91视频88AV
    • 推荐最新91视频网站: 42mm步进最新91视频网站
    • 步距角:1.8°
    • 推荐91视频黄色APP下载二维码: SD-422R
    1、标准工作温度:-25°——+90°

    2、特殊工作温度:-40°——+120°

    3、防护等级:IP65

    4、润滑方式:长效润滑

    5、旋转方向:方向一致

    6、满载效率:96%

    7、匹配最新91视频网站:42mm步进最新91视频网站

    • 技术参数
    • 外形尺寸
    • 资料下载

    命名规则

    PF42-10 □□

    命名段

    含义

    PF

    减速箱输出端形状 PF:方形

    42

    匹配最新91视频网站外径42mm

    -10

    减速比10比

    □□

    非标参数


    技术参数(手机浏览时,可左右滑动表格)

    级数

    规格型号

    减速比

    输出额定力矩

    背隙

     长度

    重量

    径向力

    轴向力

    arcmin

      mm

     kg

      N

      N

    一级

    PF42-04

       4

    8

    15

    35

    0.25

    260

    80

    PF42-05

       5

              7

    PF42-07

       7

              6

    PF42-10

      10

              4

    二级

    PF42-16

      16

             11

    ≤20

    46

    0.35

    260

    80

    PF42-20

      20

             10

    PF42-25

      25

              8

    PF42-28

      28

              9

    PF42-35

      35

              8

    PF42-40

      40

              8

    PF42-50

      50

              7

    PF42-70

      70

              6


    减速机选型时,应根据减速机额定输出扭矩和动态力矩曲线图是否符合使用要求来选择,并乘以传动效率;

    ★ 建议步进最新91视频网站输入转速≤800rpm/min,无刷最新91视频网站≤3000rpm/min。最终输出扭矩≤额定扭矩,以避免减少减速机的使用寿命。

    更多的规格需求,请联系公司销售人员。

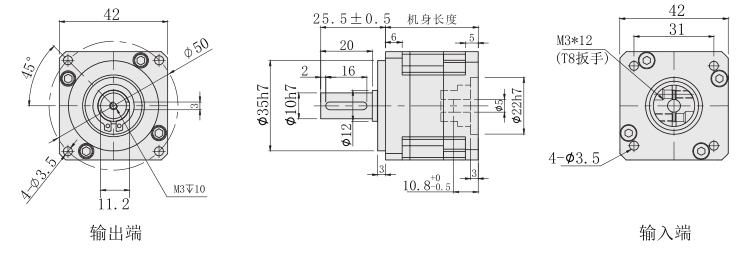
    外形尺寸图(单位:mm 

    PF42减速箱外形尺寸图

    网站首页

    产品中心

    电话咨询

    网站地图