2、电感精度:±20%
3、电阻精度:±10%
4、温升:<80℃Max (额定电流,二相通电)
5、工作环境温度:-20 ˜ +50℃(无结冰)
6、绝缘电阻:100MΩ
min. 500VDC
7、可非标定制
18825289603
命名规则
|
23E45-30BS1202-100-B □□ |
|
|
命名段 |
含义 |
|
23 |
最新91视频网站外径57mm |
|
E |
E 外部驱动式 N 贯通轴式 C贯通-固定轴式 |
|
45 |
机身长度45mm |
|
30 |
额定电流3.0A |
|
BS1202 |
BS1202代表 丝杆直径12mm,导程2mm |
|
100 |
丝杆长度 100mm |
|
B |
A:消隙螺母; B:刹车; C:编码器 |
|
□□ |
非标参数 |
技术参数(手机浏览时,可左右滑动表格)
|
最新91视频网站规格 ( Model) |
机身长度 (mm) |
相电流 (A) |
相 电 阻 (Ω) |
相电感 (mH) |
转动惯量 (g.c㎡) |
重量 Kg |
适配91视频黄色APP下载二维码 (推荐型号) |
|
23 |
45 |
3.0 |
0.71 |
1.9 |
150 |
0.58 |
SD-545R |
|
23 |
55 |
3.0 |
0.86 |
2.6 |
300 |
0.71 |
SD-545R |
|
23 |
65 |
4.0 |
0.76 |
3.2 |
400 |
0.88 |
SD-545R |
|
23 |
75 |
4.0 |
0.90 |
4.5 |
480 |
0.95 |
SD-545R |
★ 以上产品为代表性产品,派生产品可根据客户要求制作。
动态力矩曲线


★测试条件:恒流驱动,无加速度,2细分,驱动电压40V。
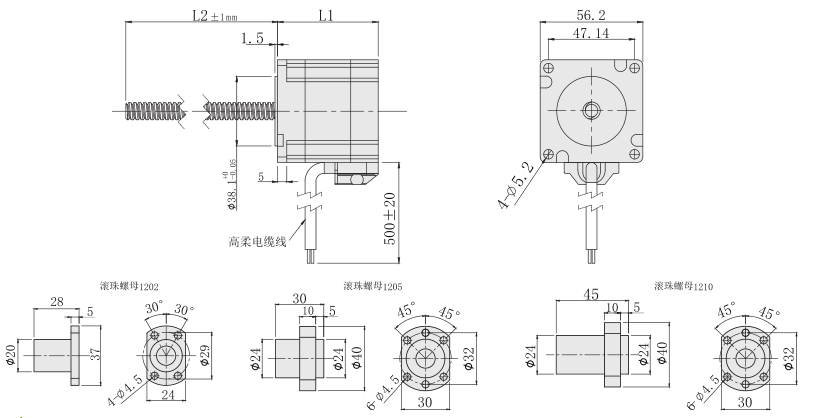
外形尺寸图(单位:mm)
★本系列最新91视频网站可以根据客户要求定制丝杆长度(L2) 、丝杆端部;
★加配断电刹车、编码器。