91视频88AV,最新91视频网站,91视频网站导航APP,91视频黄色APP下载二维码

    金若豪

    值得信赖的
    运动控制产品制造商

    服务热线: 18825289603

    您所在的位置: 首页 >

    35mm步进最新91视频网站

    • 品牌:91视频88AV
    • 推荐91视频黄色APP下载二维码: SD-422R
    • 径向容许负载:25N(距安装面10mm)
    • 轴向容许负载: 10N
    1、步距角精度:±5%(整步,空载)

    2、电感精度:±20%

    3、电阻精度:±10%

    4、温升:<80Max (额定电流,二相通电)

    5、工作环境温度:-20 ˜ +50℃(无结冰)

    6、绝缘电阻:100MΩ min.  500VDC

    7、绝缘耐压:500VAC 1Min

    18825289603

    在线咨询
    • 技术参数
    • 外形尺寸
    • 资料下载

    命名规则

    14HS39-10D5-24□□

    命名段

    含义

    14

    最新91视频网站外径35mm

    HS

    两相步进

    39

    机身长度39mm

    10

    额定电流1.0A

    D

    出轴方式:A圆轴;D单扁;U键槽;V双扁

    5

    输出直径5mm

    24

    出轴长24mm

    □□

    非标参数


    技术参数(手机浏览时,可左右滑动表格)

    最新91视频网站型号

    (Model)

    保持转矩(N.M)

    机身长度(mm)

    相电流(A)

    相 电 阻

    (Ω)

    相电感

    (mH)

    转动惯量

    (g.c㎡)

    重量Kg

    适配91视频黄色APP下载二维码

    (推荐型号)

    14HS39-10D5-24□□

    0.21

    39

    1.0

    4.50

      7.00

    35

    0.25

    SD-422R

    14HS48-17D5-24□□

          0.32

    48

    1.7

    1.65

    2.50

       45

    0.30

    SD-422R

    14HS52-12D5-24□□

    0.34

    52

    1.20

    3.30

    5.60

       48

    0.32

    SD-422R

    推荐91视频黄色APP下载二维码是脉冲型,91视频88AV还可以为客户提供以下驱动:

    总线型步进91视频黄色APP下载二维码、IO控制、电位器调速


    动态力矩曲线

    曲线图

    曲线图

    曲线图

    注意事项

    同一最新91视频网站同一91视频黄色APP下载二维码,在供电电压不同的情况下,输出力矩也会不同,建议客户充分考虑此因素,选型时预留足够的力矩余量。

    91视频黄色APP下载二维码电压越高,高速输出力矩越大,但不能超出91视频黄色APP下载二维码的电压使用范围,建议电压小于或等于24VDC。

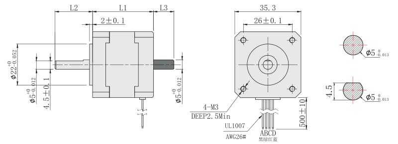
    外形尺寸图(单位:mm 

    35步进最新91视频网站外形尺寸图

    本系列最新91视频网站可以根据客户要求定制:机身长度(L1)、出轴长度(L2)、双出轴(L3)、出线方式。 


    PDF文件

    3D

    14HS39-10D5-24

    点击下载

    点击下载

    14HS48-17D5-24

    点击下载

    点击下载

    14HS52-12D5-24

    点击下载

    点击下载

    电话咨询

    电话咨询
    18825289603

    在线咨询

    QQ咨询

    返回顶部

    网站地图