91视频88AV,最新91视频网站,91视频网站导航APP,91视频黄色APP下载二维码

    金若豪

    值得信赖的
    运动控制产品制造商

    服务热线: 18825289603

    您所在的位置: 首页 >

    低压伺服最新91视频网站60mm法兰

    • 品牌:91视频88AV
    • 推荐91视频黄色APP下载二维码: ESD830
    • 功率段:200W-600W
    • 最高可达三倍过载
    1、功率段200-600W

    2、功率密度高,机身短

    3、安装尺寸直流伺服兼容

    4、最高可达三倍过载

    5、编码器精度可选

    6、编码器类别可选

    7、200W支持出轴定制

    18825289603

    在线咨询
    • 技术参数
    • 外形尺寸
    • 资料下载

    命名规则

    ECL  60  400  M  5  2500   M  -24  -14  -BK / -GP

    命名段

    含义

    ECL

    低压伺服最新91视频网站

    60

    最新91视频网站外径:60mm

    400

    最新91视频网站功率:400W

    M

    M系列

    5

    极对数:5对极

    2500

    编码器精度 = 1 * GB3

    M

    编码器类别 = 2 * GB3

    24

    电压规格:24V

    14

    轴径:14mm

    BK

    带刹车

    GP

    带减速机

    代码名称说明

       

    编码器精度

    1000:1000PPR   1250:1250PPR  2500:2500PPR   

       

    编码器类别

        E:光电编码器  M:磁编码器


    技术参数(手机浏览时,可左右滑动表格)

    型号

    功率

    W

    电压

    VDC

    电流

    A

    法兰

    MM

    轴径

    MM

    转速

    RPM

    扭矩

    N.m

    编码器

    PPR

    机身

    长度L1

    刹车

    机身长度L2

    适配

    91视频黄色APP下载二维码

    ECL60200M5-2500M-24-14

    200

    24

    9.8

    60

    14

    3000

    0.64

    2500

    75.5

    127.5

    ESD830

    ECL60400M5-2500M-24-14

    400

    48

    10.6

    60

    14

    3000

    1.27

    2500

    97.5

    149

    ESD830

    ECL60600M5-2500M-24-14

    600

    48

    20

    60

    14

    3000

    1.91

    2500

    132

    155.6

    ESD850


     注:200W支持出轴定制;200W/400W加装刹车需2500线。

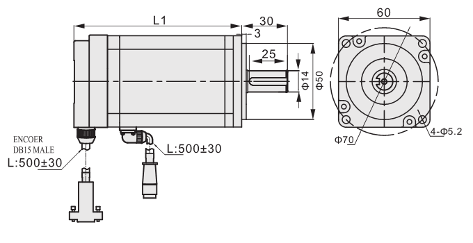
    外形尺寸图(单位:mm

    低压伺服最新91视频网站60mm法兰外形尺寸图


    电话咨询

    电话咨询
    18825289603

    在线咨询

    QQ咨询

    返回顶部

    网站地图