91视频88AV,最新91视频网站,91视频网站导航APP,91视频黄色APP下载二维码

    金若豪

    值得信赖的
    运动控制产品制造商

    服务热线: 18825289603

    您所在的位置: 首页 >

    28mm闭环步进最新91视频网站

    • 品牌:91视频88AV
    • 推荐91视频黄色APP下载二维码: SD-880R
    • 可定制:机身长度
    • 可定制:出轴长度
    1、大力矩   High  torque

    2、高精度   High  precision

    3、高响应   High  response

    4、高效率   High  efficiency

    5、低震动   Low  vibration

    6、低噪音   Low  noise

    7、低发热   Low  fever

    18825289603

    在线咨询
    • 技术参数
    • 外形尺寸
    • 资料下载

    命名规则

    ENH1101D5-16 □□

    命名段

    含义

    ENH

    闭环步进

    11

    最新91视频网站外径28mm

    01

    机身长度34mm

    D

    出轴方式:A圆轴;D单扁;U键槽;V双扁

    5

    输出直径5mm

    16

    出轴长16mm

    □□

    非标参数


    技术参数(手机浏览时,可左右滑动表格)

    最新91视频网站型号

    (Model)

    保持转矩(N.M)

    机身长度(mm)

    相电流(A)

    相 电 阻

    (Ω)

    相电感

    (mH)

    转动惯量

    (g.c㎡)

    重量Kg

    适配91视频黄色APP下载二维码

    (推荐型号)

    ENH1101D5-16 □□

    0.08

    34

    1.0

    6.0

       5.2

    9

    0.22

    SD-880R

    ENH1102D5-16 □□

          0.10

    41

    1.0

    3.5

    1.6

       12

    0.25

    SD-880R

    ENH1103D5-16 □□

    0.18

    50

    1.8

    3.7

    3.6

       18

    0.30

    SD-880R


    动态力矩曲线

    曲线图

    曲线图

    曲线图

    注意事项

    同一最新91视频网站同一91视频黄色APP下载二维码,在供电电压不同的情况下,输出力矩也会不同,建议客户充分考虑此因素,选型时预留足够的力矩余量。

    91视频黄色APP下载二维码电压越高,高速输出力矩越大,但不能超出91视频黄色APP下载二维码的电压使用范围,建议电压小于或等于24VDC。

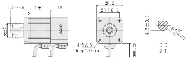
    外形尺寸图(单位:mm

    28mm闭环步进最新91视频网站外形尺寸图

    本系列最新91视频网站可以根据客户要求定制:机身长度(L1)、出轴长度(L2)、双出轴(L3)、出线方式。


    PDF文件

    3D

    ENH1101D5-16

    点击下载

    点击下载

    ENH1102D5-16

    点击下载

    点击下载

    ENH1102D5-16

    点击下载

    点击下载

    电话咨询

    电话咨询
    18825289603

    在线咨询

    QQ咨询

    返回顶部

    网站地图